

| 《PQ947H型电动偏心半球阀说明书》 发布时间:17-07-09 | ||||||||||||||||||||||||||||||||||||||||||||||||||||||||||||||||||||||||||||||||
《PQ947H型电动偏心半球阀说明书》 一、工作原理: PBQ947H型电动偏心半球阀借助驱动机构带动阀轴转动90°运动。此时,固定在阀轴上的偏心阀瓣(半球)同步旋转90°。顺时针旋转,偏心阀瓣进入阀座,在偏心作用下形成楔形机构。阀瓣逐渐压紧阀座,实现密封,关闭阀门。逆时针旋转时,偏心阀瓣则迅速脱离阀座,旋转90°时,阀门为全开状态。 二、适用范围: 该系列阀门适用于石油、化工、冶金、电力、轻纺、造纸、水利等各部门中低压管路系统,同时还适用于污水处理、蒸汽、空气、煤气、砂浆、矿浆等弱腐蚀流体介质的输送和截流、节流等。 三、压力温度额定值(GB/T 9124-2000) WCB/A105-压力温度额定值:
CF8/304-压力温度额定值:
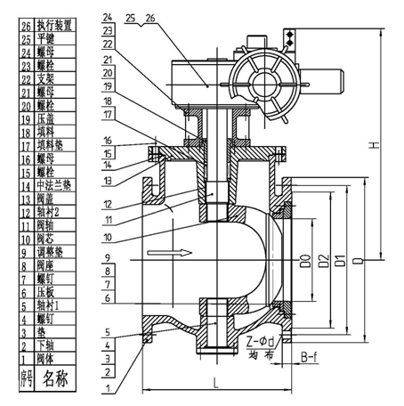
四、PQ947H型结构示意图
五、设计参照标准 1、 设计与制造标准:GB/T 26146-2010、CJ/T 283-2008 2、 压力温度额定值标准:GB/T 12224-2005 3、 法兰连接尺寸标准:GB/T 9113.1-2000 4、 结构长度:GB/T 26146-2010或客户要求 5、 压力试验:GB/T 13927-2008 六、保管、安装、使用和维护保养 1、阀门存放时,要放在通风干燥之处,不允许放在露天和灰尘较多的场合,要保持阀门的清洁。使阀门处于微开启位置,两端口必须用专用的闷盖堵严,防止灰尘和杂物进入密封副。 2、安装前,核准阀门的各项技术参数:通径、压力、介质、工 作温度等,是否符合要求,并清除长期存放或在运输过程中的灰尘及杂物,检查限位螺钉是否上紧(出厂前已调试好)。 3、安装时,必须校正管路法兰端面的平行度,两端管路中心线是否同轴。清除管路中的杂物和污垢,按照阀门上的介质流通方向安装于管路上。一般情况下可安装于管路的任意位置。对于料浆阀,必须采用水平安装,这样有利于阀门各转动部位的润滑,减少结疤对阀门使用中的影响。 上兆阀门其他产品: 闸 阀 截止阀 球 阀 蝶 阀 紧急切断阀 电磁阀 水力控制阀 止回阀 刀型闸阀 旋塞阀 过滤器 减压阀 疏水阀 隔膜阀 调节阀 阻火器 呼吸阀 燃气阀门 冶金阀门 |
||||||||||||||||||||||||||||||||||||||||||||||||||||||||||||||||||||||||||||||||
|
||
|
||
|
||
|
||
|
||
|
||
|
||
|
||
|
||
|
||
|
||
|
||
|
||
|
||
|
||