

| D343H多层次硬密封蝶阀原理 发布时间:17-08-10 |
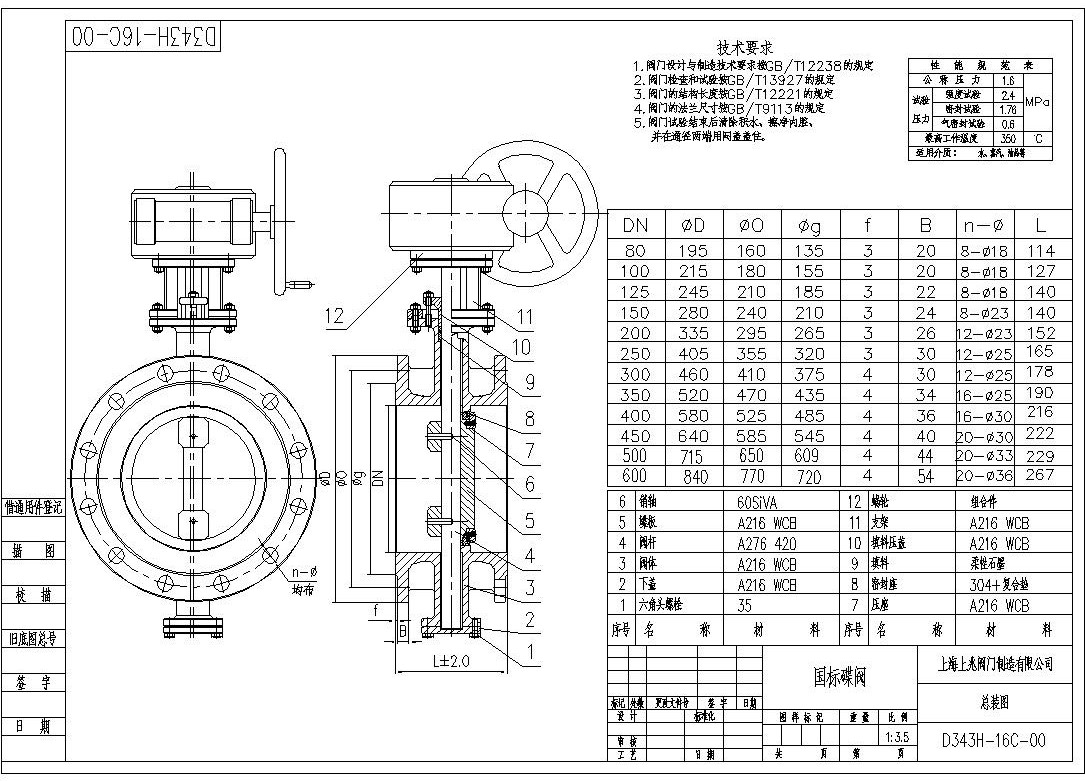
D343H多层次硬密封蝶阀原理 ![]() 多层次硬密封蝶阀广泛用于水、蒸气、油品、空气、煤气等介质,适用于食品、医药、石油化工、电厂、钢厂、工业环保水处理及高层建筑、供排水管道上作调节流量和截断流体装置。 1、多层次硬密封蝶阀是采用软硬层金属片层叠组成,通过高精度机械加工成形,嵌装在蝶板上与阀座吻合,具有金属密封和弹性密封的双重优点,无论在低温和高温情况下,均具有优良的密封性能。 2、采用三维偏心结构,阀座与蝶板几乎无摩擦,具有越关越紧的密封功能。 3、结构独特、操作灵活、省力、方便、不受介质压力的高、低影响,密封性能可靠,使用寿命长。 4、蝶阀设有密封调节装置,长期使用后若密封性能下降,可调节蝶板密封圈向阀座靠近即可恢复原有密封性能,大大地提高了使用寿命。 多层次硬密封蝶阀图纸: ![]() |
|
||
|
||
|
||
|
||
|
||
|
||
|
||
|
||
|
||
|
||
|
||
|
||
|
||
|
||
|
||