

| ??馗∏蚍?00X型 发布时间:17-11-08 | ||||||||||||||||
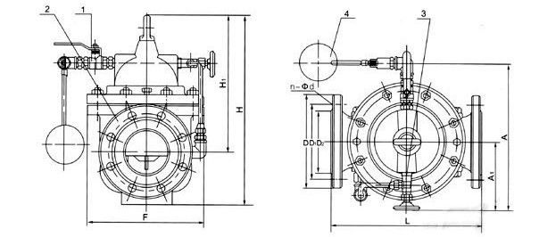
公司水力控制阀系列中的??馗∏蚍?/a>100X型主要用于高层建筑、生活区等供水管网系统的水塔、水池等设施的液面控制。??馗∏蚍?/a>100X型由主阀、针阀、球阀、浮球阀、微型过滤器等组成水力控制接管系统,调定后,自动控制液面高度。本产品直接利用液面控制,不需要其它装置和能源,保养简便,液面控制准确度高,不受水压影响,密封可靠。
当管道从进水端给水时,由于针阀、球阀、浮球阀是???,水通过微型过滤器、针阀、控制室、球阀、浮球阀进入水池,此时控制室不形成压力,主阀开启,水塔(池)供水。 当水塔(池)的水面上升至设定高度时,浮球浮起关闭浮球阀,控制室内水压升高,推动主阀关闭,供水停止。当水面下降时,浮球阀重新开启,控制室水压下降,主阀再次开启继续供水,保持液面的设定高度。
遥控浮球阀100X型--解剖图: 1、球阀2、产阀3、针阀4、浮球阀
|
|
||
|
||
|
||
|
||
|
||
|
||
|
||
|
||
|
||
|
||
|
||
|
||
|
||
|
||
|
||