100块钱上门服务电话号码,品茶qq群免费进群,全国高端经纪人联系方式,附近休闲一条龙全套

销售热线:021-66105556
您现在的位置:网站首页 -> 技术文章 ->
液动紧急切断阀工作原理及结构图纸   发布时间:18-10-08


液动紧急切断阀工作原理:

1、阀门在无外压力操作情况下,阀瓣处于常闭状态,在贮罐系统上使用时,紧急切断阀与油泵或贮气瓶配套使用,靠手摇油或氨气的压力将阀门打开,在油路或者气的压力使用下阀门处于开启状态,当需要关闭阀门或遇到有紧急情况时,可将油压或者氨气压力泄掉,阀门即自动关闭。
2、阀瓣关闭时,压力是依靠打开泄压阀或操作手轮或者管路上的易熔塞在温度升高时自行熔化来实现。
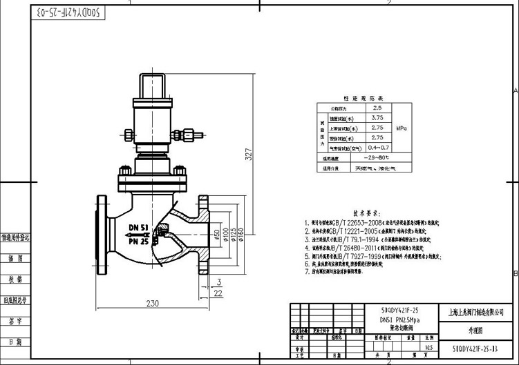
3、阀门工作介质的流动方向应是高进低出,与普通截止阀流向正好下反。
4、阀门法兰的连接尺寸按JB/T79.1-94《凸面整体铸钢法兰》或HG20592-97尺寸标准。

液动紧急切断阀--基本介绍:

产品名称:QDY421F-25 液动紧急切断阀,液动切断阀结合了截止阀,止回阀和液动阀门的优点,采用截止阀的升降结构和止回阀防止介质倒流的原理。切断阀具有极佳的技术性能,低负荷损失和高可靠性,与远距离手摇油泵配套使用,利用手动液压控制阀门开启-关闭。
切断阀安装在液氨,燃气储罐站或者气体管道上,以便在管道或储罐上发生泄漏甚至起火时,工作人员能通过远距离油泵卸压,或80℃高温使(易熔合金)熔化,阀门油缸自动卸压,阀门迅速关闭而止漏。起到保护人身安全作用,切断阀是目前化工危险品截流比较理想选择的产品。

液动紧急切断阀型号:QDY421F

液动紧急切断阀图纸:




· 氨用阀门的类型和分类 22-04-20
· 气动切断阀跟液动紧急切断阀相比较哪种好 23-10-08
· 气动三通球阀的适用场合 12-09-28
· 气动快速切断阀机能参数 23-03-22
· J41F氨用法兰截止阀 19-06-28
· 截止阀最明显的优点 15-03-02
· 阀门入门100个专业术语(下篇) 20-01-13
· Q647Y气动紧急切断阀 20-07-31
· 电动法兰蝶阀 18-05-08
· 通用阀门在哪些 21-02-07
· 电磁式煤气安全阀DMF-0.5 21-08-28
· 蝶阀结构特点--上兆阀门 18-11-07
· 电动调节阀和电动蝶阀的区别 22-08-21
· 球阀长期使用后如何进行日常维护 22-04-18
· D343W国标不锈钢蝶阀产品介绍 23-09-26