KD642X-6C气动煤气紧急切断阀--产品概述: 气动煤气紧急切断阀是在吸收国内外技术的基础上,根据用户的实际工况而设计的新一代气动煤气快速切断阀,它由防爆电磁阀过滤器回讯器气动装置及蝶阀组合而成,适用于加热炉煤气、高炉煤气、转炉煤气、除尘管道等可燃性气体管道中要求快速切断场合。因它采用特殊的耐腐蚀性材料及高新技术阻止烟尘进入轴套,达到蝶阀开关灵活不卡死,经过客户多年的使用,效果显著。 
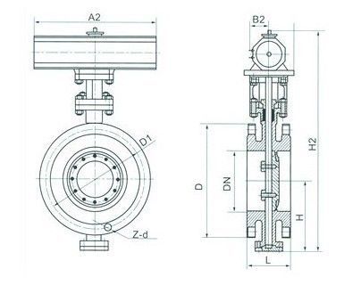
气动煤气紧急切断阀--性能特点: KD642X煤气气动紧急切断阀:气动切断快,密封性能好,无泄漏 公称压力:0.60MPa 强度试验压力:0.9MPa 密封试验压力:0.66MPa 适用温度:≤200℃ 适用介质:加热炉煤气、高炉煤气、转炉煤气等 阀体部分(煤气专用蝶阀)阀杆采用镀铬处理,填料为高温石墨,并且在上下轴之间经过特殊工艺处理,装配防锈死装置。经过这些特殊工艺之后阀门具备耐腐蚀、抗焦油、还具备有限防止烟尘进入轴承内,从而保证阀门开关灵活不卡死,在管道中起到截断介质的作用。 KD642X-6C气动煤气紧急切断阀 --工作原理: KD642X煤气气动紧急切断阀上的有单作用(双作用)气动装置,由单作用(双作用)气缸.活塞.连杆.箱体输出轴等零件组成的机械传动机构和电磁阀.过滤减压阀等控制元件组成。当气动执行装置与电路和系统气源接通后,电磁阀接收到24V电压信号转换成输出气压力,使压缩空气进入缸体一端,推动活塞向另一端移动,活塞通过连杆等零件带动输出轴运转实现阀门快速启闭。同时回讯器根据阀门的启闭位置来反馈输出的控制信号正确定位。 KD642X煤气气动紧急切断阀--执行标准: 1、设计制造:GB12238; 2、法兰连接尺寸;GB9115; 3、检验和试验:GB/T13927 气动煤气紧急切断阀--主要连接及外形尺寸:

公称通径 DN | 结构长度L | 外形尺寸(参考值) | 连接(标准值) | 参考 重量Dt343H | | H | Dt343H | PN0.6MPa | PN1.0MPa | | mm | inch | 短 | 长 | H1 | A1 | B1 | D | D1 | z-d | D | D1 | z-d | | 50 | 2 | 108 | 150 | 112 | 350 | 180 | 200 | 140 | 110 | 4-14 | 165 | 125 | 4-18 | 17 | | 65 | 5/2 | 112 | 170 | 115 | 370 | 180 | 200 | 160 | 130 | 4-14 | 185 | 145 | 4-18 | 20 | | 80 | 3 | 114 | 180 | 120 | 380 | 180 | 200 | 190 | 150 | 4-18 | 200 | 160 | 8-18 | 23 | | 100 | 4 | 127 | 190 | 138 | 420 | 180 | 200 | 210 | 170 | 4-18 | 220 | 180 | 8-18 | 25 | | 125 | 5 | 140 | 200 | 164 | 460 | 180 | 200 | 240 | 200 | 8-18 | 250 | 210 | 8-18 | 40 | | 150 | 6 | 140 | 210 | 175 | 555 | 270 | 280 | 165 | 225 | 8-18 | 285 | 240 | 8-22 | 47 | | 200 | 8 | 152 | 230 | 208 | 605 | 270 | 280 | 320 | 280 | 8-18 | 340 | 295 | 8-22 | 60 | | 250 | 10 | 165 | 250 | 243 | 680 | 270 | 280 | 375 | 335 | 12-18 | 395 | 350 | 12-22 | 95 | | 300 | 12 | 178 | 270 | 283 | 800 | 380 | 420 | 440 | 395 | 12-22 | 445 | 400 | 12-22 | 124 | | 350 | 14 | 190 | 290 | 310 | 835 | 380 | 420 | 490 | 445 | 12-22 | 505 | 460 | 16-22 | 181 | | 400 | 16 | 216 | 310 | 340 | 915 | 450 | 470 | 540 | 495 | 16-22 | 565 | 515 | 16-26 | 260 | | 450 | 18 | 222 | 330 | 380 | 960 | 480 | 490 | 595 | 550 | 16-22 | 615 | 565 | 20-26 | 338 | | 500 | 20 | 229 | 350 | 410 | 1020 | 480 | 490 | 645 | 600 | 20-22 | 670 | 620 | 20-26 | 360 | | 600 | 24 | 267 | 390 | 470 | 1225 | 480 | 660 | 755 | 705 | 20-26 | 780 | 725 | 20-30 | 540 | | 700 | 28 | 292 | 430 | 550 | 1355 | 640 | 660 | 860 | 810 | 24-26 | 895 | 840 | 24-30 | 580 | | 800 | 32 | 318 | 470 | 640 | 1470 | 640 | 660 | 975 | 920 | 24-30 | 1015 | 950 | 24-33 | 845 | | 900 | 36 | 330 | 510 | 710 | 1545 | 750 | 860 | 1075 | 1020 | 24-30 | 1115 | 1050 | 28-33 | 1050 | | 1000 | 40 | 410 | 550 | 770 | 1795 | 850 | 860 | 1175 | 1120 | 28-30 | 1230 | 1160 | 28-36 | 1500 | | 1200 | 48 | 470 | 630 | 890 | 1965 | 850 | 900 | 1405 | 1340 | 32-33 | 1455 | 1380 | 32-39 | 2000 |
|