100块钱上门服务电话号码,品茶qq群免费进群,全国高端经纪人联系方式,附近休闲一条龙全套

销售热线:021-66105556
您现在的位置:网站首页 -> 技术文章 ->
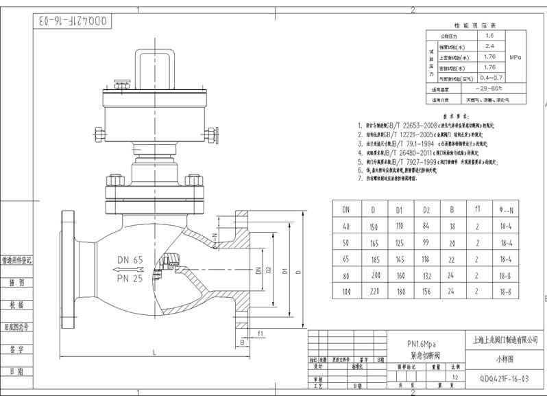
紧急切断阀小样图   发布时间:21-03-16

气动紧急切断阀小样图

气动紧急切断阀用于液化石油气、天然气、液氨等主要管道上起到安全切断作用,使用压力1.6Mpa~4.0Mpa。使用温度-20℃~80℃。气动紧急切断阀气缸配有安全熔断装置,在达到一定的温度时候阀门易熔塞自行熔化达到安全切断。详细请向上兆阀门销售部咨询或索函。





· 了解紧急切断阀相关知识,确保设备操作安全无忧 23-02-18
· 涨知识!什么是VV阀、BDV阀、RFV阀?有什么区别? 18-03-12
· ZCRB燃气切断阀的应用及工作原理 18-09-25
· 自来水进水电磁阀 19-03-19
· QDY741F-25C_液压紧急切断阀 19-11-11
· Q341F-16P蜗轮不锈钢球阀 20-06-25
· 气动紧急切断阀使用过程中遇到故障怎么处理 23-08-24
· 不锈钢球阀的型号概述 20-12-22
· QDY421F-40C-50液动紧急切断阀 17-04-21
· 截止阀的适用性 21-07-02
· 氨气截止阀的特点 22-02-28
· 简述气动紧急切断阀的结构和原理 23-02-03
· 不锈钢气动球阀 18-03-09
· 不锈钢三通球阀的结构特点及优点 12-11-30
· QDQ421F-25C-200气动氨用紧急切断阀 18-09-24