F43X手动扇形盲板阀详细资料: 一、扇形盲板阀产品概述:
本系列扇形盲板阀又称眼镜阀、翻板阀、扇形阀,系GB6222《工业企业煤气安全规程》要求的可靠切断气体介质的设备。广泛应用于工矿企业、市政、环保等行业的气体介质管理系统中,尤其适用于有害、有毒、易燃气体的绝对切断。亦适宜做管道终端的盲板,以缩短检修时间或方便连接新的管路。
该系列扇形盲板阀与其他在管路中做绝对切断的阀门设备相比,具有结构新颖、重量轻、体积小、操作方便、动作迅速、切断气体性能绝对可靠的特点。
二、扇形盲板阀工作原理:
F43X手动扇形盲板阀由左阀体、右阀体、中阀体、连接螺杆(三根)组成。用扳手旋转连接螺杆,使左右阀体完成夹紧和松开动作,利用闸板上盲板和通孔板的位置变换达到启闭目的。本阀具有结构简单,重量轻,性能可靠,操作方便等特点。本阀为短结构系列,橡胶密封圈分别安装在左、右阀体上。
三、扇形盲板阀主要性能指标:
公称压力MPa | 0.25 | 0.15 | 0.10 | 0.05 |
密封试验压力MPa | 0.275 | 0.165 | 0.11 | 0.055 |
强度试验压力MPa | 0.40 | 0.225 | 0.15 | 0.075 |
适用温度℃ | 丁腈橡胶 | 硅橡胶 | 氟橡胶 |
<120 | <250 | <300 |
适用介质 | 煤气等有毒、有害、易燃气体 |
采用标准 | 连接法兰尺寸符合JB/T81-94标准,检测方法符合GB/T13927-92标准 |
主要零部件材料 | 阀体、闸板为碳钢;连接轴、伸缩器为碳钢或不锈钢;密封圈为橡胶 |
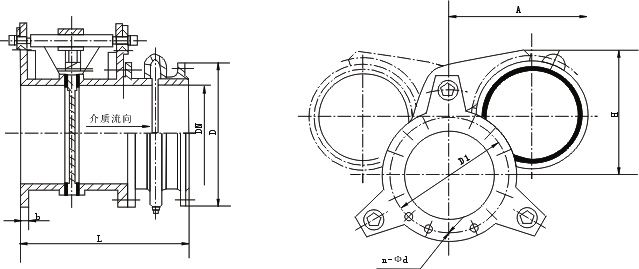
四、扇形盲板阀主要外形连接尺寸: 单位:mm
DN | D | D1 | b | n-φd | 短系列 L |
100 | 210 | 170 | 12 | 4-φ18 | 210 |
150 | 265 | 225 | 14 | 8-φ18 | 210 |
200 | 320 | 280 | 14 | 8-φ18 | 230 |
250 | 375 | 335 | 14 | 12-φ18 | 250 |
300 | 440 | 395 | 16 | 12-φ22 | 270 |
350 | 490 | 445 | 16 | 12-φ22 | 290 |
400 | 540 | 495 | 16 | 16-φ22 | 310 |
450 | 595 | 550 | 20 | 16-φ22 | 330 |
500 | 645 | 600 | 20 | 20-φ22 | 350 |
600 | 755 | 705 | 20 | 20-φ26 | 370 |
700 | 860 | 810 | 20 | 24-φ26 | 390 |
800 | 975 | 920 | 22 | 24-φ30 | 410 |
900 | 1075 | 1020 | 22 | 24-φ30 | 430 |
1000 | 1175 | 1120 | 22 | 28-φ30 | 450 |
1200 | 1375 | 1320 | 22 | 32-φ30 | 470 |
1400 | 1575 | 1520 | 26 | 36-φ30 | 490 |
1500 | 1675 | 1620 | 26 | 36-φ30 | 510 |
1600 | 1790 | 1730 | 26 | 40-φ30 | 530 |
1800 | 1990 | 1930 | 26 | 44-φ30 | 550 |
2000 | 2190 | 2130 | 26 | 48-φ30 | 570 |

五、扇形盲板阀订货须知:
1、①产品名称与型号②扇形盲板阀口径③是否带附件以便我们的为您正确选型。
2、若已经由设计单位选定的扇形盲板阀型号,请按扇形盲板阀型号直接向我司销售部订购。
3、当使用的场合非常重要或环境比较复杂时,请您尽量提供设计图纸和详细参数。
上兆阀门其他产品:
闸 阀 截止阀 球 阀 蝶 阀 紧急切断阀 电磁阀 水力控制阀 止回阀 刀型闸阀 旋塞阀 过滤器 减压阀 疏水阀 隔膜阀 调节阀 阻火器 呼吸阀 燃气阀门 冶金阀门