F643X气动扇形盲板阀详细资料: 一、产品概述:
自动扇形盲板阀系列有气动、液动、电动、电液动四种驱动方式并根据不同规格采用不同的结构形式,以适应用户的能源条件、环境条件和工况条件的要求。
本系列自动扇形盲板阀以其优越的性能为冶金、化工、环保等行业的有毒、有害、易燃气体管路实现自动化控制提供了一种安全、可靠的隔断设备。本阀连接尺寸符合GB2555-81PN2.5标准;检测方法符合GB/T13927-92标准。
二、产品特点及工作原理:
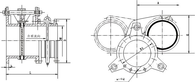
F643X气动扇形盲板阀,又称气动扇形眼镜阀,主要由左阀体、右阀体、丝杆、闸板、密封圈、杠杆、汽缸等零件组成,并由底座、支撑柱构成一个刚性结构体。阀门中设有夹紧、松开汽缸和翻板汽缸,夹紧、松开汽缸通过杠杆和丝杆螺旋驱动左、右阀体完成松开、夹紧动作,翻板汽缸驱动闸板完成开关动作。橡胶密封圈镶钳在闸板上,具有耐高温、密封性能好、更换方便、使用寿命长等特点。
本阀可以单台远距离控制,亦可多台联网远距离控制,非正常情况下还可以利用阀门本身装置手动操作。
三、主要性能参数:
公称压力MPa | 0.25 | 0.15 | 0.10 | 0.05 |
密封试验压力MPa | 0.275 | 0.165 | 0.11 | 0.055 |
强度试验压力MPa | 0.40 | 0.225 | 0.15 | 0.075 |
驱动源 | 压缩空气0.4-0.6MPa 油压压力6.3MPa 3相380V50HZ |
适用温度℃ | 丁腈橡胶 | 硅橡胶 | 氟橡胶 |
| | |
适用介质 | 煤气等有毒、有害、易燃气体 |
| |
主要零部件材料 | 阀体、闸板为碳钢;丝杆为合金钢;螺母为锰铜合金、球墨铸铁;伸缩器为不锈钢 |
四、主要外形连接尺寸: 单位:mm
DN | D | D1 | b | n-φd | L |
300 | 440 | 395 | 22 | 12-φ22 | 450 |
350 | 490 | 445 | 22 | 12-φ22 | 450 |
400 | 540 | 495 | 22 | 16-φ22 | 450 |
450 | 595 | 550 | 24 | 16-φ22 | 500 |
500 | 645 | 600 | 24 | 16-φ22 | 500 |
600 | 755 | 705 | 24 | 20-φ26 | 600 |
700 | 860 | 810 | 26 | 24-φ26 | 600 |
800 | 975 | 920 | 26 | 24-φ30 | 800 |
900 | 1075 | 1020 | 28 | 24-φ30 | 800 |
1000 | 1175 | 1120 | 30 | 28-φ30 | 800 |

四、气动扇形盲板阀订货须知:
1、①产品名称与型号②气动扇形盲板阀口径③是否带附件以便我们的为您正确选型。
2、若已经由设计单位选定的电动扇形盲板阀型号,请按电动扇形盲板阀型号直接向我司销售部订购。
3、当使用的场合非常重要或环境比较复杂时,请您尽量提供设计图纸和详细参数。

上兆阀门其他产品:
闸 阀 截止阀 球 阀 蝶 阀 紧急切断阀 电磁阀 水力控制阀 止回阀 刀型闸阀 旋塞阀 过滤器 减压阀 疏水阀 隔膜阀 调节阀 阻火器 呼吸阀 燃气阀门 冶金阀门