铸铁镶铜圆闸门详细资料: 一、 产品用途:
铸铁镶铜圆闸门主要用于给排水、防汛、灌溉、水利、水电工程中,用来截止、疏通水流或起调节水位的作用。本系列闸门可分为ZMF方形、ZMY圆形、和ZML法兰圆闸门三类,根据建设部通用标准和美国AWWA标准设计生产。它采用独特的外弧形设计,结构合理、受力均匀,采用优质灰口铸铁或球墨铸铁、不锈钢制造,止水密封面镶铜条或橡胶,并经精密加工后配研,达到平面接触密封,密封性能好,当密封止水性能下降时,可通过楔块装置的调整加以解决。
二、产品结构特点和工作原理:
1.铸铁镶铜闸门由门框、闸板、导轨、密封条、传动螺杆、吊块螺母/吊耳和可调整密封机构等部件组成,其中门框和闸板均由优质灰口铸铁或球墨铸铁制成,导轨左右对称布置且用不锈钢螺栓定位销与门框二侧端部连接 (对中小口径的闸门,其导轨可与门框浇注成一体),导轨长度一般为闸门全开启高度的1/2~1/3,因而整体结构强度高、刚性高、耐磨、耐腐蚀性好、承压能力大。
2.通过楔块装置的楔紧达到密封,密封材料为铜合金或橡胶,并经精密加工后配研,故密封性好。
3.采用预埋钢板或预埋螺栓式安装,安装、调试、使用、维护方便,使用寿命长。
4.品种规格齐全,适应性广。
5.与启闭机配套使用,闸门为工作部分,启闭机为闸门开启与关闭的执行部分,启闭机由人力、电机或气动、液压机构带动传动装置的齿轮、蜗轮蜗杆等运转,驱动传动螺母或螺杆转动使闸轴作垂直升降运动,从而开启或关闭闸门,达到 水、关水或调节水位的目的。
三、主要技术性能参数:
1.型号与规格:
圆形闸门:明杆式 ZMY DN300~DN1500mm
2.铸铁镶铜闸门主要性能指标:
a)闸门密封面配合间隙≤0.1㎜,密封座厚度大于10㎜。
b)密封面每米长度渗水量:正向≤0.7L/min ·m 反向≤1.25L/min ·m
c)公称压力≤0.1Mpa;密封试验压力0.1Mpa。
d)工作环境:温度-20℃~120℃ 湿度:95% 工作介质:水与污水PH值:5~10
e)安装位置:正常状态下正向迎水、处于铅垂状态。
f)最大工作水头:单向受压:正向:10m 反向:5m 双向受压:均为10m
g)启闭速度:不小于0.2m/min,不大于1.5m/min。
h)闸框距边壁距离≥300㎜,距池底距离≥150㎜~250㎜。
四、主要零部件材质及执行标准:
零部件名称 | 材质 | 材质标准 |
闸板 | 灰铸铁、球铁、不锈钢 | GB9439-88/GB1348-88 或GB12226-89/GB12227-89 GB1220-84 |
门框 | 灰铸铁、球铁、不锈钢 |
导轨 | 灰铸铁、球铁、不锈钢 |
密封面 | 锡青铜 丁腈橡胶 | GB1176-87 或GB12225-89 |
楔块 | 锡青铜、丁腈橡胶 |
传动螺杆 | 不锈钢 | GB1220-84 |
吊块螺母 | 铝铁青铜ZCuA110Fe3 | GB1176-87 |
紧固件 | 0Cr17Ni12Mo2、0Cr18Ni9Ti | GB1220-84 |
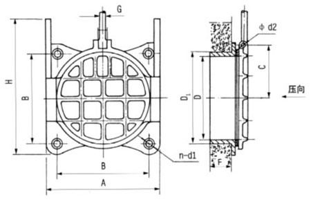
五、主要外形连接尺寸: 单位:mm


型号 | 通径DN | A | A1 | B | B1 | C | D1 | E | H | b | φd | 4-φd1 |
ZMY-300 | 300 | 407 | 300 | 150 | 75 | 200 | 320 | 44 | 562 | 20 | 16 | 4-φ22 |
ZMY-400 | 400 | 524 | 400 | 206 | 122 | 256 | 420 | 51 | 750 | 25 | 20 | 4-φ25 |
ZMY-500 | 500 | 644 | 500 | 236 | 135 | 312 | 520 | 60 | 870 | 25 | 20 | 4-φ25 |
ZMY-600 | 600 | 764 | 600 | 255 | 152 | 368 | 620 | 60 | 983 | 25 | 20 | 4-φ26 |
ZMY-700 | 700 | 884 | 700 | 280 | 158 | 430 | 724 | 74 | 1262 | 30 | 25 | 4-φ28 |
ZMY-800 | 800 | 984 | 800 | 280 | 158 | 478 | 824 | 74 | 1392 | 30 | 25 | 4-φ28 |
ZMY-900 | 900 | 1105 | 900 | 340 | 170 | 525 | 928 | 105 | 1750 | 30 | 25 | 4-φ32 |
ZMY-1000 | 1000 | 1205 | 1000 | 370 | 190 | 590 | 1030 | 110 | 1828 | 35 | 30 | 4-φ32 |
ZMY-1200 | 1200 | 1425 | 1200 | 405 | 220 | 695 | 1232 | 115 | 2182 | 35 | 30 | 4-φ32 |
ZMY-1500 | 1500 | 1766 | 1500 | 425 | 225 | 840 | 1536 | 115 | 2933 | 80 | 30 | 4-φ32 |
上兆阀门其他产品:
闸 阀 截止阀 球 阀 蝶 阀 紧急切断阀 电磁阀 水力控制阀 止回阀 刀型闸阀 旋塞阀 过滤器 减压阀 疏水阀 隔膜阀 调节阀 阻火器 呼吸阀 燃气阀门 冶金阀门