

| DJ661F-40P_气动不锈钢低温切断阀图纸 发布时间:21-01-04 |
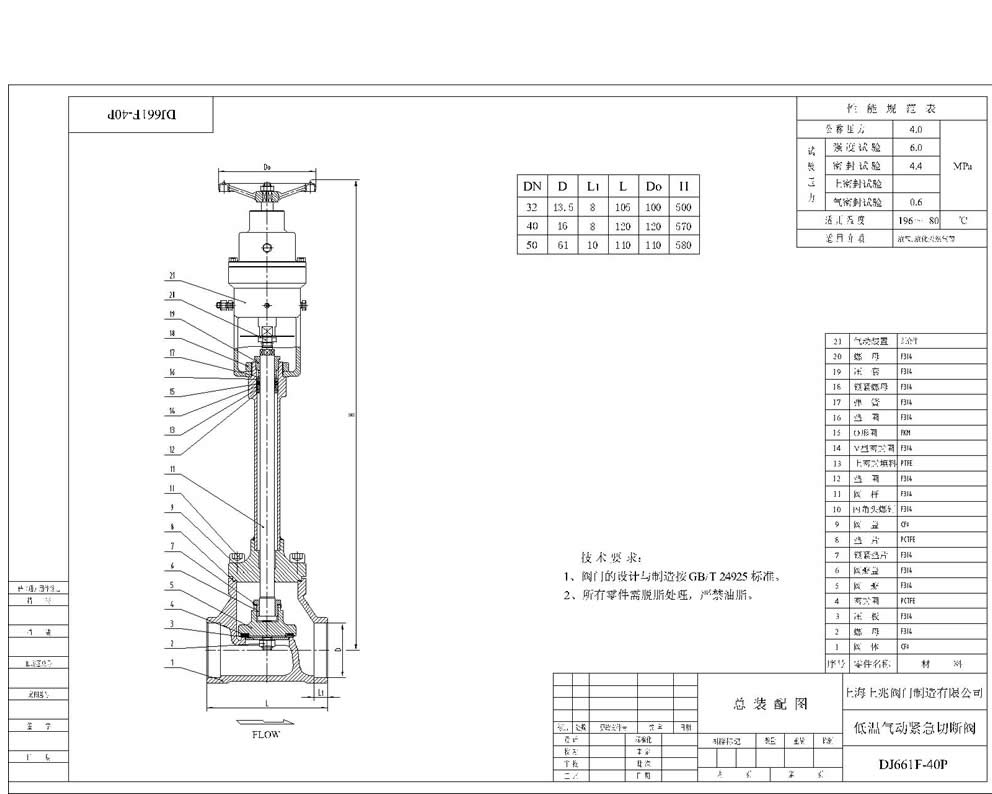
DJ661F-40P_气动不锈钢低温切断阀产品说明书资料介绍低温紧急切断阀DJ661F-PN16-40P适用于低温贮槽、槽车和罐车上切断和流通介质,并在出现故障时能及时快速切断介质。这种新型阀门具有体积小、重量轻、密封可靠、开关迅速、启闭灵活等优点,广泛用于LNG、LO2、LN2、LAr、LC2H4及其它低温介质,具有防火、防静电、防爆功能。设计特点及工作原理该阀门为一低温切断阀加上带弹簧复位的气动执行机构,在气缸部位加装安全附件(易熔塞)。其特点为:(1)阀本体部分利用低温切断阀的结构,在密封面上作必要改进,使其更适用于紧急切断阀的使用要求;主要技术参数(2)执行器部分为气缸活塞机构,动作平稳可靠;(3)阀门的复位力来自一高品质的螺旋压缩弹簧;(4)阀门上密封采用一新型的填料结构另加内外塑料O形圈,能够达到零外漏。(5)另外,若无法正常向阀门提供驱动气源时,可用阀门的手动装置启闭阀门,不致影响整个系统的正常工作。工作原理在正常情况下,利用活塞上部弹簧的压力,推动活塞向下运动,继而带动。
DJ661F-40P_气动不锈钢低温切断阀图纸:
|
|
||
|
||
|
||
|
||
|
||
|
||
|
||
|
||
|
||
|
||
|
||
|
||
|
||
|
||
|
||