

| D943H-16C电动硬密封蝶阀 发布时间:19-04-26 | |||||||||||||||||||||||||||||||||||||||||||||||||||||||||||||||||||||||||||||||||||||||||||||||||||||||||||||||||||||||||||||||||||||||||||||||||||||||||||||||||||||||||||||||||||||||||||||||||||||||||||||||||||||||||||||||||||||||||||||||||||||||||||||||||||||||||||||||||||||||||||||||||||||||||||||||||||||||||||||||||||
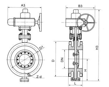
![]() D943H-16C电动硬密封蝶阀概述: 金属硬密封蝶阀广泛应用于石油,化工,电力,冶金,食品,医药,纺织,造纸等行业。它们可以安装在≤425°C的温度下。介质是气体,空气,蒸汽,水,海水,油等。工业管网用于调节流量和切割介质。起到开关和紧急关闭作用也可以叫紧急切断阀 驱动形式包括手柄,蜗轮,气动,液压,电动,电液联动等执行器,可实现远程控制和自动操作。 金属硬密封蝶阀系列是一种寿命长,节能的蝶阀。 结构采用三维偏心原理,阀座采用多层金属结构,兼容软硬密封,加工精良,工艺先进。 本产品由阀体,蝶板,多层金属阀座,阀杆,传动机构等主要部件组成。 因此,它广泛应用于冶金,电力,石油,化工,空气,燃气,可燃气体,给排水等腐蚀性介质的管道中。 因为蝶阀本产品采用三维偏心原理设计,密封面空间运动轨迹理想,密封面无摩擦,无干涉,密封材料选用合适,使蝴蝶密封耐腐蚀阀门制成。 耐高温和耐磨性得到了可靠的保证截止阀。 D943H-16C电动硬密封蝶阀的特点: 1。蝶板采用流线型结构,介质的流阻系数小。 。 2。无油自动润滑复合轴承用于阀体和阀轴之间。 3。阀体密封面采用D507合金钢制造,焊接性能好,不易腐蚀。它在阀体上进行一次加工,夹具可靠地保证定位角度。 密封性能好,使用寿命长。 4。密封结构采用三偏心硬密封结构,即:径向偏心,轴向偏心和角偏心。 阀门在打开或关闭过程中没有摩擦,确保阀门开启和关闭灵活,关闭时更紧密,密封严密可靠,阀门密封面快速脱开打开,磨损减少,使用寿命延长。球阀 5。蝶板密封圈采用多层金属密封结构,密封可靠,使用寿命长。安装在蝶板上后,可以在阀体内部进行调整或更换。 6。该装置传动速比大,操作扭矩小,操作更灵活,灵活方便,节能。 D943H-16C电动硬密封蝶阀采用标准: 1。设计标准: GB / T12238-1989 JB / T8527-2015 2。连接法兰标准: GB / T9113.1-2000; GB / T9113.2-2000 GB / T9115.1-2000; GB / T9115.2-2000 3。结构长度标准: GB / T12221-1989 4。压力测试标准: GB / T13927-1992 JB / T9092-1999 电动执行器概述: 越来越多的工厂正在采用自动控制,手动操作由机械或自动化设备代替,电动阀门应运而生。 闸阀电动执行机构具有长距离切换和调节管路流量的特点,可以精确地使阀门到达任何位置。 电动执行机构特点: \\ n 1。体积小,重量轻,易于拆卸和维修,可以安装在任何位置。 2。结构简单紧凑,90度旋转快速打开。 低操作扭矩,省力。 3。流动特性趋于平直,调节性能良好。 4。易于获取能量,信号传输速度快,传输距离远,集中控制方便。 5。它可以远距离控制,灵敏度高,精度高。 电动执行器可根据不同的控制和要求选择以下电气设备: 开关型电动设备:只有开关阀功能 可调电气设备:开关和调节管路流量 防爆电气设备:适用于安装天然气和天然气管道等危险介质管道r \\ n 精密紧凑型电气设备:重量轻,结构紧凑,功能齐全,缺点,扭矩低,仅适用于小直径蝶阀 D943H-16C电动硬密封蝶阀阀门特定尺寸:
|
|||||||||||||||||||||||||||||||||||||||||||||||||||||||||||||||||||||||||||||||||||||||||||||||||||||||||||||||||||||||||||||||||||||||||||||||||||||||||||||||||||||||||||||||||||||||||||||||||||||||||||||||||||||||||||||||||||||||||||||||||||||||||||||||||||||||||||||||||||||||||||||||||||||||||||||||||||||||||||||||||||
|
||
|
||
|
||
|
||
|
||
|
||
|
||
|
||
|
||
|
||
|
||
|
||
|
||
|
||
|
||