D341W蜗轮法兰通风蝶阀广泛用于冶金、建材、电国力、矿山、石化等工业管线,对气体介质起控制或调节作用。
二、蜗轮法兰通风蝶阀--特点
1、D341W 蜗轮法兰通风蝶阀采用钢板焊接制造,结构尺寸短,体积小,重量轻,安装方便;
2、本阀驱动力矩小,启闭灵活,操作方便可靠;
3、本阀代体上设置密封挡圈,密封无可见间隙,泄漏率??;
4、蝶板与阀体间的膨胀间隙长,能有效防止因热胀冷缩造成的卡死现象;
5、本阀可配备各种驱动装置,如手动装置、电动装置、气动装置、推杆装置等。
6、本阀阀芯可做成双门或百叶式,以满足不同用户的要求。
三、蜗轮法兰通风蝶阀--工作原理
D341W蜗轮法兰通风蝶阀通过驱动装置带动阀轴、经转动销使蝶板随阀轴一起作90℃范围内旋转,从而达到开头或调节目的。
| 公称压力(MPa) | 0.05 |
| 壳体试验压力 | 0.1 |
| 适用温度 | 450℃;600℃;900℃ |
| 适用介质 | 热风、烟气、燃气 |
| 介质流速 | ≤50m/s |
| 泄漏 | 1% |
五、根据介质温度,阀板阀体选用材质表
| 介质温度 | ≤450℃ | ≤600℃ |
| 阀体材料 | 锰钢或铬铬钼 | 铬钼钢、铬镍钛钢 |
| 蝶板材料 | 锰钢或铬铬钼 | 铬镍钛不锈钢 |
| 阀轴材料 | 铬不锈钢 | 铬镍钛不锈钢 |
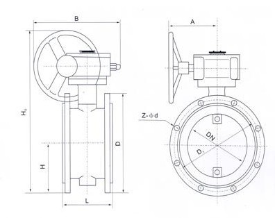
六、主要连接尺寸及重量
| DN | D | D1 | n-do | b | L | 重量 |
| D41 | D341 | D941 |
| 200 | 320 | 280 | 8-18 | 16 | 140 | 34 | 42 | 78 |
| 250 | 375 | 335 | 12-18 | 16 | 140 | 38 | 46 | 83 |
| 300 | 440 | 395 | 12-22 | 16 | 170 | 48 | 54 | 93 |
| 350 | 490 | 445 | 12-22 | 16 | 170 | 56 | 64 | 95 |
| 400 | 540 | 495 | 16-22 | 16 | 190 | 73 | 81 | 98 |
| 450 | 595 | 550 | 16-22 | 16 | 190 | 81 | 110 | 140 |
| 500 | 645 | 600 | 20-22 | 16 | 190 | 99 | 128 | 179 |
| 600 | 755 | 705 | 20-26 | 18 | 210 | 127 | 157 | 213 |
| 700 | 860 | 810 | 24-26 | 18 | 210 | 152 | 199 | 267 |
| 800 | 975 | 920 | 24-30 | 18 | 210 | 182 | 229 | 326 |
| 900 | 1075 | 1020 | 24-30 | 18 | 250 | 240 | 287 | 385 |
| 1000 | 1175 | 1120 | 28-30 | 18 | 250 | 383 | 430 | 528 |
| 1100 | 1275 | 1220 | 28-30 | 18 | 250 | | 620 | 682 |
| 1200 | 1375 | 1320 | 32-30 | 18 | 250 | | 765 | 827 |
| 1400 | 1575 | 1520 | 36-30 | 18 | 300 | | 1188 | 1250 |
| 1600 | 1790 | 1730 | 40-30 | 22 | 300 | | 1393 | 155 |
| 1800 | 1990 | 1930 | 44-30 | 22 | 300 | | 1800 | 1865 |
| 2000 | 2190 | 2130 | 48-30 | 22 | 300 | | 2130 | 2190 |
| 2100 | 2300 | 2240 | 52-33 | 22 | 300 | | | 2785 |
| 2200 | 2405 | 2340 | 52-33 | 26 | 350 | | | 3690 |
| 2400 | 2605 | 2540 | 56-33 | 26 | 350 | | | 4720 |
| 2600 | 2805 | 2740 | 60-33 | 26 | 350 | | | 5530 |
| 2800 | 3030 | 2960 | 64-36 | 26 | 400 | | | 6035 |
| 3000 | 3230 | 3160 | 68-36 | 26 | 400 | | | 6280 |

上兆阀门其他产品:
闸 阀 截止阀 球 阀 蝶 阀 紧急切断阀 电磁阀 水力控制阀 止回阀 刀型闸阀 旋塞阀 过滤器 减压阀 疏水阀 隔膜阀 调节阀 阻火器 呼吸阀 燃气阀门 冶金阀门