一、D673H气动对夹式硬密封蝶阀--概述
D673H气动对夹式硬密封蝶阀采用精密的J形弹性密封圈和三偏心多层次金属硬密封结构,被广泛用于介质温度≤425℃的治金 、电力、石油化工、以及给排水和市政建设等工业管道上,作调节流量和载断流体使用。该阀采用三偏心结构,阀座与碟板密封面均采用不同硬度和不锈钢制作,具 有良好的耐腐蚀性,使用寿命长
1、D673H 气动对夹式硬密封蝶阀采用三偏心密封结构,阀座与蝶板几乎无磨损,具有越观越紧的密封功能。
2、密封圈选用不锈钢制作,具有金属硬密封和弹性密封的双重优点,无论在低温和高温的情况下,均具有优良的密封性能,具有耐腐蚀,使用寿命长等特点。
3、碟板密封面采用堆焊钴基硬质合金,密封面耐磨损,使用寿命长.
4、大规格蝶板采用绗架结构,强度高,过流面积大,流阻小。
5、本阀具有双向密封功能,安装时不受介质流向的限制,也不受空间位置的影响,可在任何方向安装。
6、驱动装置可以多工位(旋转90°或180°)安装,便于用户使用。
| 制造标准 | JB/T 8527-97 |
| 法兰标准 | GB9113-2000 |
| 结构长度标准 | GB12221-89 |
| 检验标准 | GB/T 13927-92 |
四、D673H气动对夹式硬密封蝶阀--主要技术参数
| 公称通经DN(mm) | 50~2000 |
| 公称药理PN(MPa) | 0.6 | 1.0 | 1.6 | 2.5 |
| 密封试验(MPa) | 0.66 | 1.1 | 1.76 | 2.75 |
| 强度试验(MPa) | 0.9 | 1.5 | 2.4 | 3.75 |
| 适用温度 | 碳钢:-29℃~425℃ 不锈钢:-40℃~650℃ |
| 适用介质 | 水、空气、天然气、油品及弱腐蚀性流体 |
| 泄漏率 | 符合GB/T13927-92标准 |
| 驱动方式 | 蜗轮传动、电动、气动、液动 |
| 零件名称 | 材料 |
| 阀体 | WCB、合金钢、不锈钢、QT450-10 |
| 蝶板 | WCB、合金钢、不锈钢、QT450-10 |
| 阀轴 | 2Cr13不锈钢、合金钢 |
| 密封圈 | 不锈钢圈 |
| 填料 | 柔性石墨 |
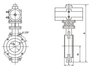
六、主要外形连接尺寸
公称通经(DN) | 主要尺寸 | 法兰尺寸和螺栓规格 |
| 1.0MPa | 1.6MPa | 2.5MPa |
| L | H | H1 | D1 | 4-Ф-M | D1 | 4-Ф-M | D1 | 4-Ф-M |
| 50 | 43 | 350 | 112 | 125 | Ф18 | 125 | Ф18 | 125 | Ф18 |
| 65 | 46 | 370 | 115 | 145 | Ф18 | 145 | Ф18 | 145 | Ф18 |
| 80 | 49 | 380 | 120 | 160 | Ф18 | 160 | Ф18 | 160 | Ф18 |
| 100 | 56 | 420 | 138 | 180 | Ф18 | 180 | Ф18 | 190 | Ф23 |
| 125 | 64 | 460 | 164 | 210 | Ф18 | 210 | Ф18 | 220 | Ф27 |
| 150 | 70 | 555 | 175 | 240 | Ф23 | 240 | Ф23 | 250 | Ф27 |
| 200 | 71 | 605 | 208 | 295 | M20 | 295 | M20 | 310 | M24 |
| 250 | 76 | 680 | 243 | 350 | M20 | 355 | M24 | 370 | M27 |
| 300 | 83 | 800 | 283 | 400 | M20 | 410 | M24 | 430 | M27 |
| 350 | 92 | 835 | 310 | 460 | M20 | 470 | M24 | 490 | M30 |
| 400 | 102 | 915 | 340 | 515 | M24 | 525 | M27 | 550 | M33 |
| 450 | 114 | 960 | 380 | 565 | M24 | 585 | M27 | 600 | M33 |
| 500 | 127 | 1020 | 410 | 620 | M24 | 650 | M30 | 660 | M33 |
| 600 | 154 | 1225 | 470 | 725 | M27 | 770 | M33 | 770 | M36 |
| 700 | 165 | 1355 | 550 | 840 | M27 | 840 | M33 | 875 | M39 |
| 800 | 190 | 1470 | 640 | 950 | M30 | 950 | M36 | 990 | M45 |
| 900 | 203 | 1545 | 710 | 1050 | M30 | 1050 | M36 | 1090 | M45 |
| 1000 | 216 | 1795 | 770 | 1160 | M33 | 1170 | M39 | 1210 | M52 |
| 1200 | 254 | 1965 | 890 | 1380 | M36 | 1390 | M45 | 1420 | M52 |

上兆阀门其他产品:
闸 阀 截止阀 球 阀 蝶 阀 紧急切断阀 电磁阀 水力控制阀 止回阀 刀型闸阀 旋塞阀 过滤器 减压阀 疏水阀 隔膜阀 调节阀 阻火器 呼吸阀 燃气阀门 冶金阀门