D73H手动对夹式硬密封蝶阀适用于食品、医药、石油化工、工业环境及高层建筑和管道上作调节流量和截断流体最佳装置。
二、D73H手动对夹式硬密封蝶阀--结构特点
D73H 手动对夹式硬密封蝶阀吸收,消化国外技术,并结合国内用户意见和产品中积累的经验而精心研制的新一代产品;
1、采用三维偏心结构,阀门密封圈采用弹性金属圈,使蝶板同阀体密封面均匀可靠接触,可达到气密封无泄露;
2、结构独特,操作灵活、省力、方便、使用寿命长;
3、耐高温、耐腐蚀、耐磨损的三维偏心。
三、D73H手动对夹式硬密封蝶阀--主要技术参数
| 公称通径 | DNmm | 50-1200 |
| 公称压力 | PNMPa | 1.0 | 1.6 | 2.5 | 4.0 |
试验压力 PSMPa | 强度试验 | 1.5 | 2.4 | 3.75 | 6.0 |
| 密封试验 | 1.1 | 1.76 | 2.75 | 4.4 |
| 适用介质 | 水、蒸汽、油品、酸类腐蚀性等 |
| 适用温度 | -40℃-600℃ |
四、D73H手动对夹式硬密封蝶阀--主要零部件材料
| 名称 | 材料 |
| 阀体 | 铸钢、不锈钢、铬钼钢 |
| 蝶板 | 铸钢、化合金钢(镀硬铬)不锈钢、铬钼钢 |
| 阀杆 | 2Cr13、1Cr13不锈钢、铬钼钢 |
| 密封圈 | 不锈钢、聚内脂、抗磨材料、氟塑料 |
| 填料 | 柔性石墨 |
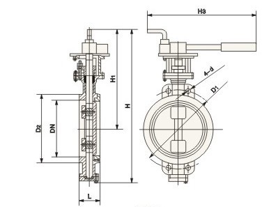
| 通径DN | L | D1 | D2 | Z-φd | H | HO | D | L2 | Wt/Kgs |
| 50 | 43 | 125 | 99 | 4-18 | 105 | 350 | 90° | 280 | 9 |
| 65 | 46 | 145 | 118 | 4-18 | 115 | 370 | 90° | 280 | 11 |
| 80 | 49 | 160 | 132 | 8-18 | 125 | 380 | 45° | 280 | 15 |
| 100 | 56 | 180 | 155 | 8-18 | 140 | 420 | 45° | 280 | 18 |
| 125 | 64 | 210 | 185 | 8-18 | 170 | 470 | 45° | 330 | 22 |
| 150 | 70 | 240 | 210 | 8-23 | 180 | 500 | 45° | 330 | 25 |

上兆阀门其他产品:
闸 阀 截止阀 球 阀 蝶 阀 紧急切断阀 电磁阀 水力控制阀 止回阀 刀型闸阀 旋塞阀 过滤器 减压阀 疏水阀 隔膜阀 调节阀 阻火器 呼吸阀 燃气阀门 冶金阀门