

|
||||||||||||||||||||||||||||||||||||||||||||||||||||||||||||||||||||||||||||||||||||||||||||||||||||||||||||||||||||||||||||||||||||||||||||||||||||||||||||||||||||||||||||||||||||||||||||||||||||||||||||||||||||||||||||||||||||||
|
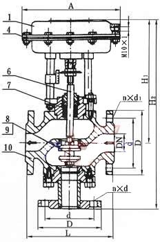
产品介绍 一、ZMQP气动薄膜三通切断阀--概述ZMQ、ZSQ型气动薄膜(活塞)切断阀采用顶导向结构,配用多弹簧执行机构。 具有结构紧凑、重量轻、动作灵敏、流体通道呈S流线型、压降损失小、阀容量大、拆装方便等优点。切断阀接受来自调节仪表的信号,切断、开启或改变介质 流向,达到对压力、流量、液位等工艺参数自动控制。广泛应用于石油、化工、冶金、电力、轻工、纺织等各种工业部门的生产过程自动控制和运程控制系统中。 本系列产品有薄膜式、活塞式两种。阀体结构有单座、套筒、双座(二位三通)三种,密封形式有填料密封和波纹管密封两种,产品公称压力等级有PN10、 16、40、46四种,公称口径范围DN20~200mm。适用流体温度由-60~450℃。泄漏量等级为IV级或VI级。流量特性为快开。 二、ZMQP气动薄膜三通切断阀--工作原理ZMQP气动三通薄膜切断阀采用顶导向结构,配用多弹簧执行机构。 具有结构紧凑、重量轻、动作灵敏、流体通道呈S流线型、压降损失小、阀容量大、拆装方便等优点。切断阀接受来自调节仪表的信号,切断、开启或改变介质 流向,达到对压力、流量、液位等工艺参数自动控制。广泛应用于石油、化工、冶金、电力、轻工、纺织等各种工业部门的生产过程自动控制和运程控制系统中。 本系列产品有薄膜式、活塞式两种。阀体结构有单座、套筒、双座(二位三通)三种,密封形式有填料密封和波纹管密封两种,产品公称压力等级有PN10、 16、40、46四种,公称口径范围DN20~200mm。适用流体温度由-60~450℃。泄漏量等级为IV级或VI级。流量特性为快开。 ZMQP气动薄膜活塞切断阀,气动薄膜隔膜切断阀,气动薄膜单座调节阀,气动薄膜隔膜调节阀,气动薄膜双座调节阀,调节阀在现代化工厂的自动控制中,调节阀起着十分重要的作用,这些工厂的生产取决于流动着的液体和气体的正确分配和控制。这些控制无论是能量的交换、压力的降低或者是简单的容器加料,都需要*某些最终控制元件去完成。最终控制元件可以认为是自动控制的“体力”。在调节器的低能量级和执行流动流体控制所需的高能级功能之间,最终控制元件完成了必要的功率放大作用。 ![]() 调节阀是最终控制元件的最广泛使用的型式。其他的最终控制元件包括计量泵、调节挡板和百叶窗式挡板(一种蝶阀的变型)、可变斜度的风扇叶片、电流调节装置以及不同于阀门的电动机定位装置。 尽管调节阀得到广泛的使用,调节系统中的其它单元大概都没有像它那样少的维护工作量。在许多系统中,调节阀经受的工作条件如温度、压力、腐蚀和污染都要比其它部件更为严重,然而,当它控制工艺流体的流动时,它必须令人满意地运行及最少的维修量。 调节阀在管道中起可变阻力的作用。它改变工艺流体的紊流度或者在层流情况下提供一个压力降,压力降是由改变阀门阻力或“摩擦”所引起的。这一压力降低过程通常称为“节流”。对于气体,它接近于等温绝热状态,偏差取决于气体的非理想程度(焦耳一汤姆逊效应)。在液体的情况下,压力则为紊流或粘滞摩擦所消耗,这两种情况都把压力转化为热能,导致温度略为升高。 常见的控制回路包括三个主要部分,第一部分是敏感元件,它通常是一个变送器。它是一个能够用来测量被调工艺参数的装置,这类参数如压力、液位或温度。变送器的输出被送到调节仪表——调节器,它确定并测量给定值或期望值与工艺参数的实际值之间的偏差,一个接一个地把校正信号送出给最终控制元件——调节阀。阀门改变了流体的流量,使工艺参数达到了期望值。 在气动调节系统中,调节器输出的气动信号可以直接驱动弹簧一薄膜式执行机构或者活塞式执行机构,使阀门动作。在这种情况下,确定阀位所需的能量是由压缩空气提供的,压缩空气应当在室外的设备中加以干燥,以防止冻结,并应净化和过滤。
| ||||||||||||||||||||||||||||||||||||||||||||||||||||||||||||||||||||||||||||||||||||||||||||||||||||||||||||||||||||||||||||||||||||||||||||||||||||||||||||||||||||||||||||||||||||||||||||||||||||||||||||||||||||||||||||||||||||||
| 公称通径 | 15 | 20 | 25 | 32 | 40 | 50 | 65 | 80 | 100 | 125 | 150 | 200 | |
| A | φ 196 | φ 232 | φ 308 | φ 394 | φ 498 | ||||||||
| L | PN16、40 | 130 | 150 | 160 | 180 | 200 | 230 | 290 | 310 | 350 | 400 | 480 | 600 |
| PN64 | 210 | 230 | 230 | 260 | 260 | 300 | 340 | 380 | 430 | 500 | 550 | 600 | |
| H | PN16、40 | 305 | 340 | 345 | 370 | 380 | 390 | 475 | 490 | 500 | 765 | 825 | 927 |
| PN64 | 320 | 350 | 354 | 372 | 382 | 397 | 473 | 475 | 517 | 805 | 882 | 815 | |
| 波纹管密封型 | 375 | 409 | 414 | 431 | 441 | 468 | 555 | 570 | 613 | 855 | 915 | 1017 | |
| H1 | PN16、40 | 50 | 53 | 58 | 70 | 75 | 83 | 93 | 100 | 110 | 125 | 148 | 170 |
| PN64 | 60 | 65 | 70 | 77.5 | 85 | 90 | 100 | 85 | 125 | 148 | 170 | 208 | |
| H2 | PN64 | 115 | 115 | 121 | 130 | 140 | 153 | 178 | 190 | 200 | 260 | 320 | 380 |
| PN16 | 125 | 125 | 130 | 140 | 150 | 160 | 185 | 200 | 220 | 280 | 320 | 360 | |
| PN40 | 150 | 150 | 160 | 170 | 180 | 200 | 230 | 250 | 282 | 310 | 430 | 480 | |
| H3 | PN16、40 | 404 | 415 | 428 | 448 | 448 | 468 | 561 | 578 | 590 | 886 | 1008 | 1120 |
| PN64 | 365 | 430 | 498 | 528 | 528 | 530 | 535 | 540 | 600 | 890 | 1208 | 1305 | |
| 波纹管密封型 | 395 | 465 | 478 | 509 | 509 | 548 | 641 | 658 | 670 | 976 | 1098 | 1210 | |
| 重量 ( kg) | 标准型 | 10 | 10 | 12 | 15 | 18 | 23 | 35 | 45 | 60 | 75 | 90 | 120 |
| 波纹管密封型 | 12 | 12 | 14 | 17 | 20 | 26 | 38 | 48 | 64 | 79 | 95 | 125 | |
1) 本产品性能和指标贯彻GB/T4213-92;
2) 表中允许压差值若大于公称压力则取公称压力值,小于等于公称压力值则不变;
3) 表允许值为使用标准缸值,可配用不同的气缸提高允许压差。