一、不锈钢法兰球阀--概述
Q41F-16P/25P 不锈钢法兰球阀主要用于截断或接通介质,也可用于流体的调节与控制。
二、不锈钢法兰球阀--主要性能规范
| 设计与制造 | 结构长度 | 法兰尺寸 | 压力-温度 | 试验-检验 |
| GB122237 | GB12221 | GB9113 JB79 | GB9131 | GB/T13927 JB/T9092 |
| 公称压力 | 1.6 | 2.5 | 4.0 |
| 强度试验 | 2.4 | 3.8 | 6.0 |
| 水密封试验 | 1.8 | 2.8 | 4.4 |
| 气密封试验 | 0.4-0.7 |
| 阀体 | | ZG1Cr18Ni9Ti | CF8 | CF3 | ZG1Cr18Ni12Mo2Ti | CF8M | CF3M |
| 球体 阀杆 | | 1Cr18Ni9Ti | 304 | 304L | 1Cr18Ni12Mo2Ti | 316 | 316L |
| 阀 座 | 聚四氟乙烯PTFE 加坡纤增强聚四氟乙烯PTFE+Glass 对位聚笨PPL |
| 垫片 | 聚四氟乙烯PTFE 不锈钢/柔性石墨 齿形垫片 |
| 阀杆座 | 聚四氟乙烯PTFE 不锈钢/柔性石墨 |
| 填料 | 聚四氟乙烯PTFE 增强柔性石墨 |
| 填料压盖 | | 1Cr18Ni9Ti | 304 | 304L | 1Cr18Ni12Mo2Ti | 316 | 316L |
| 温度 | -29℃~150℃(聚四氟乙烯 PTFE) -29℃~200℃(加玻纤增强聚四氟乙烯 PTFE+GLASS) -29℃~300℃(对位聚笨 PPL) |
| 介质 | 水 蒸汽 油品 | 硝酸类 | 强氧化介质 | 醋酸类 | 尿素类 |
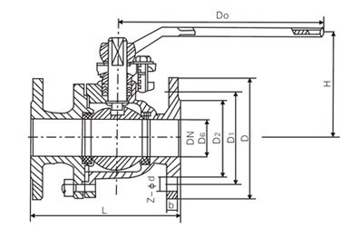
| 1.6MPa | DN | L | D | D1 | D2 | b | n-φd | H | D0 |
凸面法兰 RF Q41F Q41PPL 16C 16P 16R | 15 | 130 | 95 | 65 | 45 | 14 | 4-14 | 78 | 140 |
| 20 | 140 | 105 | 75 | 55 | 14 | 4-14 | 84 | 160 |
| 25 | 150 | 115 | 85 | 65 | 14 | 4-14 | 95 | 180 |
| 32 | 165 | 135 | 100 | 78 | 16 | 4-18 | 150 | 250 |
| 40 | 180 | 145 | 110 | 85 | 16 | 4-18 | 150 | 300 |
| 50 | 200 | 160 | 125 | 100 | 18 | 4-18 | 170 | 350 |
| 65 | 220 | 180 | 145 | 120 | 20 | 4-18 | 195 | 350 |
| 80 | 250 | 195 | 160 | 135 | 20 | 8-18 | 215 | 400 |
| 100 | 280 | 215 | 180 | 155 | 20 | 8-18 | 250 | 500 |
| 125 | 320 | 245 | 210 | 185 | 22 | 8-18 | 265 | 600 |
| 150 | 360 | 280 | 240 | 210 | 24 | 8-23 | 270 | 800 |
| 200 | 400 | 335 | 295 | 265 | 26 | 12-23 | 330 | 1200 |
| 2.5MPa | 15 | 130 | 95 | 65 | 45 | 16 | 4-14 | 103 | 140 |
| 凸面法兰 RF Q41F Q41PPL 25 25P 25R | 20 | 140 | 105 | 75 | 55 | 16 | 4-14 | 112 | 160 |
| 25 | 150 | 115 | 85 | 65 | 16 | 4-14 | 123 | 180 |
| 32 | 165 | 135 | 100 | 78 | 18 | 4-18 | 150 | 250 |
| 40 | 180 | 145 | 110 | 85 | 18 | 4-18 | 156 | 300 |
| 50 | 200 | 160 | 125 | 100 | 20 | 8-18 | 172 | 350 |
| 65 | 220 | 180 | 145 | 120 | 22 | 8-18 | 197 | 350 |
| 80 | 250 | 195 | 160 | 135 | 22 | 8-23 | 222 | 400 |
| 100 | 280 | 230 | 190 | 160 | 24 | 8-23 | 253 | 500 |
| 125 | 320 | 270 | 220 | 188 | 28 | 8-25 | 275 | 600 |
| 150 | 360 | 300 | 250 | 218 | 30 | 8-25 | 286 | 800 |
| 200 | 400 | 360 | 310 | 278 | 34 | 12-25 | 340 | 1200 |
六、主要外型尺寸
| 4.0MPa | DN | L | D | D1 | D2 | D6 | b | n-φd | H | D0 |
| 凹凸法兰 MFM Q41F Q41PPL 40 40P 40R | 15 | 130 | 95 | 65 | 45 | 40 | 16 | 4-14 | 103 | 140 |
| 20 | 140 | 105 | 75 | 55 | 51 | 16 | 4-14 | 112 | 160 |
| 25 | 150 | 115 | 85 | 65 | 58 | 16 | 4-14 | 123 | 160 |
| 32 | 180 | 135 | 100 | 78 | 66 | 18 | 4-18 | 150 | 250 |
| 40 | 200 | 145 | 110 | 85 | 76 | 18 | 4-18 | 156 | 250 |
| 50 | 220 | 160 | 125 | 100 | 88 | 20 | 4-18 | 172 | 350 |
| 65 | 250 | 180 | 145 | 120 | 110 | 22 | 8-18 | 197 | 350 |
| 80 | 280 | 195 | 160 | 135 | 121 | 22 | 8-18 | 222 | 450 |
| 100 | 320 | 230 | 190 | 160 | 150 | 24 | 8-23 | 253 | 450 |
| 125 | 400 | 270 | 220 | 188 | 176 | 28 | 8-25 | 275 | 600 |
| 150 | 400 | 300 | 250 | 218 | 204 | 30 | 8-25 | 286 | 800 |
| 200 | 550 | 375 | 320 | 282 | 260 | 38 | 12-30 | 340 | 1200 |
| 6.4MPa | 15 | 165 | 105 | 75 | 55 | 40 | 18 | 4-14 | 105 | 140 |
| 凹凸法兰 MFM Q41F Q41PPL 64 64P 64R | 20 | 190 | 125 | 90 | 68 | 51 | 20 | 4-18 | 125 | 160 |
| 25 | 216 | 135 | 100 | 78 | 58 | 22 | 4-18 | 135 | 250 |
| 32 | 229 | 150 | 110 | 82 | 66 | 24 | 4-23 | 150 | 350 |
| 40 | 241 | 165 | 125 | 95 | 76 | 24 | 4-23 | 165 | 350 |
| 50 | 292 | 175 | 135 | 105 | 88 | 26 | 4-23 | 175 | 450 |
| 65 | 330 | 200 | 160 | 130 | 110 | 28 | 8-23 | 200 | 450 |
| 80 | 356 | 210 | 170 | 140 | 121 | 30 | 8-23 | 210 | 600 |
| 100 | 432 | 250 | 200 | 168 | 150 | 32 | 8-25 | 250 | 700 |
| 125 | 508 | 295 | 240 | 202 | 176 | 36 | 8-30 | 295 | 1100 |
| 150 | 559 | 340 | 280 | 240 | 204 | 38 | 8-34 | 340 | 1500 |
.jpg)
上兆阀门其他产品:
闸 阀 截止阀 球 阀 蝶 阀 紧急切断阀 电磁阀 水力控制阀 止回阀 刀型闸阀 旋塞阀 过滤器 减压阀 疏水阀 隔膜阀 调节阀 阻火器 呼吸阀 燃气阀门 冶金阀门