一、Q647F气动固定球阀--概述
Q647F 气动固定球阀是双向阀,流向无限制。中法兰用螺柱连接,上下阀杆均设有滑动轴承,减少磨擦,使用操作省力、平稳。在正常情况下:压力低时阀座密封依靠弹簧预紧力使阀座紧贴球体达到密封,压力高时,在阀座上形成活塞效应,在上游介质压力作用下,使阀座压紧球体达到密封。
| 阀类 | 传动方式 | 连结形式 | 结构形式 | 密封面 | 公称压力(MPa) | 阀体材料 |
| 球阀 | 6-气动 6s-气动带手动 | 4-法兰式 | 固定球直通 | F-氟塑料 H-合金钢 PPL | 1.6 2.5 4.0 6.4 | 按表内阀体 材料代号 |
| 公称通径DN(mm) | 50-500 |
| 材料\\\\材料代号 | C | P | R |
主 要 零 件 | 阀体 | WCB | ZG1Cr18Ni9Ti | ZG1Cr18Ni12Mo2Ti |
| 球板 | 2Cr13 | 1Cr18Ni9Ti | 1Cr18Ni12MoTi |
| 阀杆 | 2Cr13 | 1Cr18Ni9Ti | 1Cr18Ni12MoTi |
| 密封圈 | 增强聚四氟乙烯 对位聚笨 |
| 填料 | 聚四氟乙烯 柔性石墨 |
适 用 工 况 | 适用介质 | 水、蒸汽、油品 | 硝酸类 | 醋酸类 |
| 适用温度 | -28℃~300℃ |
| 控制型式 | 双作用/单作用 |
| 作用型式 | 切断/调节 |
| 输入信号 | 电信号:0~10mA、-4~10mA 气信号20~100kPa |
| 回信电压 | AC220V/DC24V |
| 工作介质 | 净化压缩压气 |
| 执行器 | 型号 | GT系列、HY系列、AW系列、ZSH系列等 |
| 气源压力 | 0.4~0.7MPa |
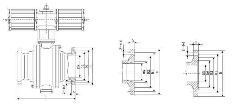
三、Q647F气动固定球阀--安装尺寸表
| 公称通径DN(mm) | 尺 寸(mm) | 执行器型号 |
| 1.6MPa | 2.5MPa | 4.0MPa |
| L | D | D1 | B | Z-φD | L | D | D1 | B | Z-φD | L | D | D1 | B | Z-φD |
| 50 | 203 | 160 | 125 | 16 | 4-18 | 216 | 160 | 125 | 20 | 4-18 | 216 | 160 | 125 | 20 | 4-18 | 可选配GTD/GTE、 AW/AWS、HY、 ZSH系列执行器 (以上选配仅供参选 具体选用根据实际要求) |
| 65 | 222 | 180 | 146 | 18 | 4-18 | 241 | 180 | 145 | 22 | 8-18 | 241 | 180 | 145 | 22 | 8-18 |
| 80 | 241 | 195 | 160 | 20 | 8-18 | 283 | 195 | 160 | 22 | 8-18 | 283 | 195 | 160 | 22 | 8-18 |
| 100 | 305 | 215 | 180 | 20 | 8-18 | 305 | 230 | 190 | 24 | 8-23 | 305 | 230 | 190 | 24 | 8-23 |
| 125 | 356 | 245 | 210 | 22 | 8-18 | 381 | 270 | 220 | 28 | 8-25 | 381 | 270 | 220 | 28 | 8-25 |
| 150 | 394 | 280 | 240 | 24 | 8-23 | 403 | 300 | 250 | 30 | 8-25 | 403 | 300 | 250 | 30 | 8-25 |
| 200 | 457 | 335 | 295 | 26 | 12-23 | 502 | 360 | 310 | 34 | 12-25 | 502 | 375 | 320 | 38 | 12-30 |
| 250 | 533 | 405 | 355 | 30 | 12-25 | 586 | 425 | 370 | 36 | 12-30 | | | | | |
| 300 | 610 | 460 | 410 | 30 | 12-25 | 648 | 485 | 430 | 40 | 16-30 | | | | | |
| 350 | 686 | 520 | 470 | 34 | 16-25 | 762 | 550 | 490 | 44 | 16-34 | | | | | |
| 400 | 762 | 580 | 525 | 36 | 16-30 | 838 | 610 | 550 | 48 | 16-34 | | | | | |
| 450 | 864 | 640 | 585 | 40 | 20-30 | 914 | 660 | 600 | 50 | 20-34 | | | | | |
| 500 | 914 | 705 | 650 | 44 | 20-34 | 991 | 730 | 660 | 52 | 20-41 | | | | | |

上兆阀门其他产品:
闸 阀 截止阀 球 阀 蝶 阀 紧急切断阀 电磁阀 水力控制阀 止回阀 刀型闸阀 旋塞阀 过滤器 减压阀 疏水阀 隔膜阀 调节阀 阻火器 呼吸阀 燃气阀门 冶金阀门