一、电动三通球阀--概述
Q944F/Q945F电动三通球阀可分为L形和T形,L形(Q944F)三通球阀用于介质流向的切换,能使相互垂直的两个通道连接;T形(Q945F)三通球阀用于介质分流、合流及流向切换。T形三通可以使三个通道相互连通或使其中的两个通道连通。三通球阀一般采用两阀座结构,亦可根据用户要求采用四阀座结构。
| 试验压力 | 公称压力(Mpa) |
| Mpa | 1.6 | 2.5 | 4.0 | CL150 | JIS10K |
| 强度试验 | 2.4 | 3.8 | 6.0 | 3.2 | 2.4 |
| 密封试验 | 1.8 | 2.8 | 4.4 | 2.2 | 1.5 |
| 气密试验 | 0.5-0.7 |
| 工作温度 | PTFE≤180℃ PPL≤300℃ |
| 适用温度 | C:水、油、气;P:硝酸类;R:醋酸类 |
| 阀体、阀盖 | WCB、CF8 |
| 球体 | WCB+Hcr、CF8 |
| 阀杆 | 2Cr13、CF8 |
| 阀座 | PTFE |
| 填料 | PTFE |
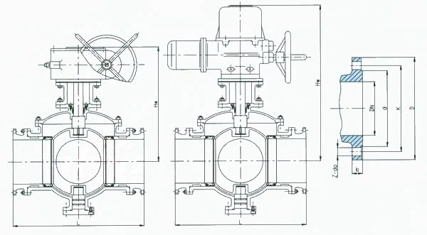
四、电动三通球阀--主要外形尺寸
| 公称压力 | 公称通径 | L | L1 | H | W | 重量(kg) |
| Mpa | mm | in | mm | mm | mm | mm | 1.6 | 2.5 | 4.0 | CL150 | JIS10K |
1.6 2.5 4.0 CL150 JIS10K | 15 | 1/2 | 130 | 65 | 62 | 100 | 2.5 | 3.0 | 3.5 | 2.5 | 2.5 |
| 20 | 3/4 | 150 | 75 | 68 | 160 | 3.0 | 3.5 | 4.5 | 3.0 | 3.6 |
| 25 | 1 | 160 | 80 | 75 | 160 | 4.8 | 5.0 | 6 | 5.0 | 5.0 |
| 32 | 1 1/4 | 180 | 90 | 85 | 200 | 6.5 | 7 | 8.5 | 7 | 7 |
| 40 | 1 1/2 | 200 | 100 | 95 | 200 | 8.5 | 9 | 10.5 | 9 | 9 |
| 50 | 2 | 230 | 115 | 110 | 250 | 11 | 12 | 14 | 12 | 11 |
| 65 | 2 1/2 | 290 | 145 | 130 | 300 | 15 | 17 | 20 | 16 | 16 |
| 80 | 3 | 310 | 155 | 155 | 400 | 21 | 22 | 32 | 21 | 22 |
| 100 | 4 | 350 | 175 | 180 | 500 | 33 | 36 | 50 | 36 | 36 |
| 125 | 5 | 400 | 200 | 250 | 600 | 65 | 70 | 80 | 68 | 70 |
| 150 | 6 | 480 | 240 | 275 | 800 | 103 | 110 | 120 | 105 | 105 |
| 200 | 8 | 580 | 290 | 325 | 1000 | 152 | 168 | 180 | 160 | 160 |


上兆阀门其他产品:
闸 阀 截止阀 球 阀 蝶 阀 紧急切断阀 电磁阀 水力控制阀 止回阀 刀型闸阀 旋塞阀 过滤器 减压阀 疏水阀 隔膜阀 调节阀 阻火器 呼吸阀 燃气阀门 冶金阀门