

|
|||||||||||||||||||||||||||||||||||||||||||||||||||||||||||||||||||||||||||||||||||||||||||||||||||||||||||||||||||||||||||||||||||||||||||||||||||||||||||||
|
产品介绍 一、ZZVP自力式微压调节阀概述 ZZVP 自力式微压调节阀是一种无需外来能源的节能型产品,利用工艺管道中介质的压力变化与信号进行比较,使被调节介质的力与执行机构的输出力平衡,以达到稳定压力、差压值。 ZZCP-1型差压阀,采用平衡型单座阀,压力稳定、精度高、密封性好,用于控制微小差压。ZZCN-10型差压阀采用双座阀,流量系数大,将阀芯正、倒装,可组成二个不同品种的产品。该产品适用于各种工业炉燃烧系统控制两种燃料气体混合比流量或用于氢冷发电机组密封油系统中,同时,还可用于各种工业气体的减压、稳压或泄压的自动控制。 ZZVP自力式微压调节阀,采用平衡单座阀,在运行中可任意对设定值进行调整等特点。因而适用于各种工业炉燃烧统燃料气体、石油在制品或油库贮罐?;て逵肴却肀;て宓奈⒀棺远鹘诘瘸『?。 二、ZZVP自力式微压调节阀结构与原理 控制压力小于或等于100Kpa的调节阀称为自力式微压力调节阀(P3通大气), 差压调节阀是微压调节阀的另一种控制方式。由执行机构、调节机构、导压管等组成。差压调节阀工作原理:见原理图1 原理图1,作用方式为压开式,即差压增大阀开启(ZZCP-16K)型。流体P1节流后成P2,经导压管与差压调节阀执行机构上模室联通,P2作用在波纹模片有效面积上产生一个向下的作用力,加上弹簧的初始压力(向下)作用力; 讯号源压力P3(恒定值)引入执行机构下模室,作用在波纹模片有效面积上产生一个向上的作用力。与上模室P2和弹簧的合力(向下)的作用力平衡。P3与P2之间有一个差压值,这个差压值就是设定值。若差压变化,增大或减小,则平衡被破坏,阀门开大或关小,保住差压值恒定。若差压达不到设定值:如,小于设定值,调整方法如下:打开防尘盖1;反时针旋转调节螺钉2,减小弹簧的预压力,使设定值达到理想要求。反之,则调节螺钉的旋转方向相反。 三、ZZVP自力式微压调节阀 主零件材料
四、ZZVP自力式微压调节阀主要技术参数与性能指标 表1 Kv值和性能指标
表2 微、差压调节范围
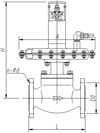
表3外形尺寸及重量 位:mm
| |||||||||||||||||||||||||||||||||||||||||||||||||||||||||||||||||||||||||||||||||||||||||||||||||||||||||||||||||||||||||||||||||||||||||||||||||||||||||||||
相关产品 |
|||||||||||||||||||||||||||||||||||||||||||||||||||||||||||||||||||||||||||||||||||||||||||||||||||||||||||||||||||||||||||||||||||||||||||||||||||||||||||||