Q41F46衬氟球阀是用带圆形通孔的球体作启闭件,球体随阀杆绕阀体中心线旋转以实现阀门开启和关闭.本厂球阀系列为Q41型,为对开二片结构形式.
1、采用特殊的模压工艺,使密封面致密良好,加之V型PTFE填料组合使阀门达到零泄漏。
2、球体与阀杆铸为一体,杜绝了由于压力变化引起阀杆冲出承压件内的可能性,根本保证使用中的安全性。
3、采用全塑料衬里工艺,耐介质的强腐蚀。
二、Q41F46衬氟球阀--设计规范
遵循GB/T 12237,API 6D标准
手动衬氟球阀、蜗轮转动衬氟球阀、气动衬氟球阀、电动衬氟球阀
| 序号 | 零件名称 | 灰铸铁 | 铸钢 | 不锈耐酸铸钢 | 超低碳不锈耐酸铸钢 |
| Z | C | P | R | PL | RL |
| 1 | 阀体/阀盖 | HT250 | WCB | CF8 | CF8M | CF3 | CF3M |
| 2 | 球体/阀杆 | WCB | CF8 | CF8M | CF3 | CF3M |
| 3 | 衬里/阀座 | PCTEF(F3),FEP(F46),PFA(可溶F4),PP,PO |
| 4 | 填料压盖 | WCB | CF8 | CF8M | CF3 | CF3M |
| 5 | 填料 | PTFE(F4) | PTFE(F4) | PTFE(F4) |
| 6 | 支架 | 35 | 1Cr18Ni9Ti | 1Cr18Ni9Ti |
| 7 | 螺栓 | 35 | Cr17Ni2 | 1Cr18Ni2 |
| 8 | 紧固螺母 | 45 | 0Cr18Ni9 | 0Cr18Ni9 |
| 9 | 操作手柄 | WCB | WCB | WCB |
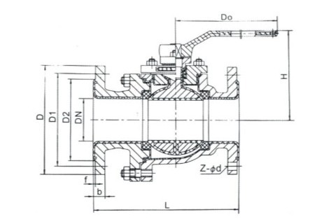
五、Q41F46衬氟球阀--主要外形和连接尺寸
| 公称通经 | L | D | D1 | D2 | f | b | Z-φd |
| DN(mm) | NPS(inch) | PN1.0MPa |
| 15 | 1/2 | 130 | 95 | 65 | 45 | 2 | 14 | 4-φ14 |
| 20 | 3/4 | 140 | 105 | 75 | 55 | 2 | 16 | 4-φ14 |
| 25 | 1 | 150 | 115 | 85 | 65 | 2 | 16 | 4-φ14 |
| 32 | 5/4 | 165 | 135 | 100 | 78 | 2 | 18 | 4-φ18 |
| 40 | 3/2 | 180 | 145 | 110 | 85 | 3 | 18 | 4-φ18 |
| 50 | 2 | 200 | 160 | 125 | 100 | 3 | 20 | 4-φ18 |
| 65 | 5/2 | 220 | 180 | 145 | 120 | 3 | 20 | 4-φ18 |
| 80 | 3 | 250 | 195 | 160 | 135 | 3 | 22 | 4-φ18 |
| 100 | 4 | 280 | 215 | 180 | 155 | 3 | 22 | 8-φ18 |
| 125 | 5 | 320 | 245 | 210 | 185 | 3 | 24 | 8-φ18 |
| 150 | 6 | 360 | 280 | 240 | 210 | 3 | 24 | 8-φ23 |
| 200 | 8 | 457 | 335 | 295 | 265 | 3 | 26 | 8-φ23 |
| 250 | 10 | 533 | 390 | 350 | 320 | 3 | 28 | 12-φ23 |
| PN1.6MPa |
| 15 | 1/2 | 130 | 95 | 65 | 45 | 2 | 14 | 4-φ14 |
| 20 | 3/4 | 130 | 105 | 75 | 55 | 2 | 16 | 4-φ14 |
| 25 | 1 | 140 | 115 | 85 | 65 | 2 | 16 | 4-φ14 |
| 32 | 5/4 | 165 | 135 | 100 | 78 | 2 | 18 | 4-φ18 |
| 40 | 3/2 | 165 | 145 | 110 | 85 | 3 | 18 | 4-φ18 |
| 50 | 2 | 203 | 160 | 125 | 100 | 3 | 20 | 4-φ18 |
| 65 | 5/2 | 222 | 180 | 145 | 120 | 3 | 20 | 4-φ18 |
| 80 | 3 | 241 | 195 | 160 | 135 | 3 | 22 | 8-φ18 |
| 100 | 4 | 305 | 215 | 180 | 155 | 3 | 24 | 8-φ18 |
| 125 | 5 | 356 | 245 | 210 | 185 | 3 | 26 | 8-φ18 |
| 150 | 6 | 394 | 280 | 240 | 210 | 3 | 28 | 8-φ23 |
| 200 | 8 | 457 | 335 | 295 | 265 | 3 | 30 | 12-φ23 |

上兆阀门其他产品:
闸 阀 截止阀 球 阀 蝶 阀 紧急切断阀 电磁阀 水力控制阀 止回阀 刀型闸阀 旋塞阀 过滤器 减压阀 疏水阀 隔膜阀 调节阀 阻火器 呼吸阀 燃气阀门 冶金阀门